Apply this IM appendix for LX beams only.

 

 

 

Figure 1. - Optional Beam Seat Protection Plate

 

 

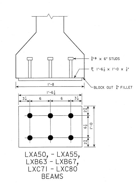
Figure 2. - Optional Beam Seat Protection Plate

 


 

 

 

Figure 3. - Optional Beam Seat Protection Plate