ah_files/image001.gif)
ah_files/image002.jpg)
|
C BEAMS
ah_files/image003.jpg)
D BEAMS
ah_files/image004.jpg)
Figure 3. - Optional Beam Seat Protection Plate
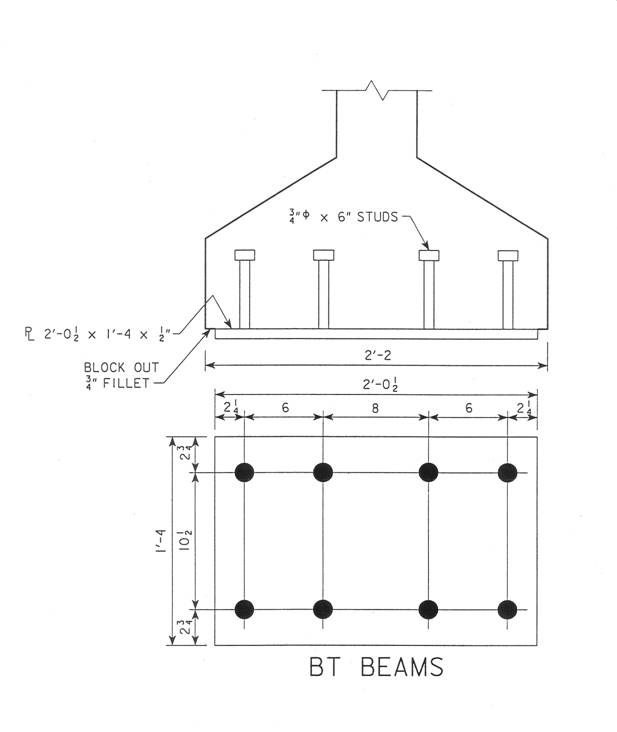
BTB, BTC, BTD, and BTE BEAMS
ah_files/image006.jpg)
Figure 4. - Optional Beam Seat Protection Plate
ah_files/image007.jpg)
Figure 5. - Optional Beam Seat Protection Plate