Figure 1. - Optional Beam Seat Protection Plate

 

 

 

Figure 2. - Optional Beam Seat Protection Plate

 


 

 

 

 

 

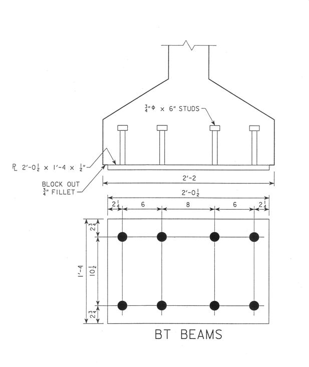
Figure 3. - Optional Beam Seat Protection Plate

 

 


 

 

 

 

 

Figure 4. - Optional Beam Seat Protection Plate

 

 


 

 

Figure 5. - Optional Beam Seat Protection Plate