Apply this IM appendix to LRFD beam only.

A and B BEAMS

C BEAMS

D BEAMS
Figure 3. - Optional Beam Seat Protection Plate


BTB, BTC, BTD, and BTE BEAMS
Figure 4. - Optional Beam Seat Protection Plate

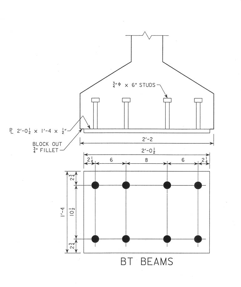
BT BEAMS
Figure 5. - Optional Beam Seat Protection Plate